



Самовывоз сегодня, бесплатно
Быстрая связь с консультантом
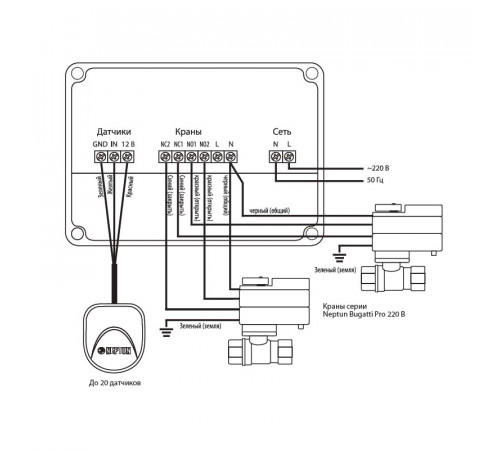
Модуль управления Neptun Base предназначена для своевременного обнаружения и локализации протечек воды в системах водоснабжения и отопления.
Система заблокирует подачу воды до устранения причин протечки и проинформирует о возникшей аварии звуковым и световым сигналами.
Контроль протечки воды осуществляется автоматически и не требует участия пользователя.
Кол-во подключаемых шаровых кранов с электроприводомне более 6 шт.
Автоматический поворт кранов 1 раз в месяц.
Пока нет вопросов об этом товаре. Станьте первым!